-
MCU单片机C61F23,宁波PIN对PIN完全兼容PIC16F684
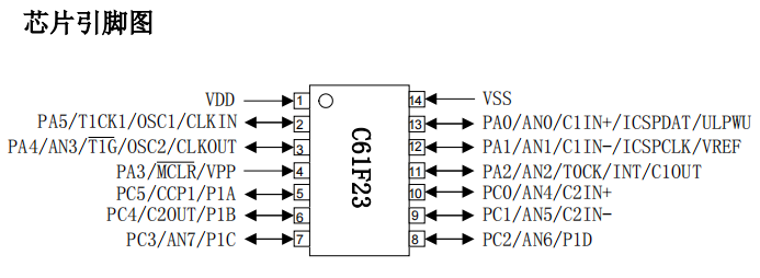
发布时间:2021-04-15MCU单片机C61F23,PIN对PIN完全兼容PIC16F684一、概述本芯片为哈佛结构的精简指令 CPU。在这种结构中,程序和数据存取的总线是相互独立的。指令字节长度为 16 位,所有指令都是单字节指令,大多数指令能在一个机器周期内执行...
查看详情
MCU单片机C61F23,PIN对PIN完全兼容PIC16F684一、概述本芯片为哈佛结构的精简指令 CPU。在这种结构中,程序和数据存取的总线是相互独立的。指令字节长度为 16 位,所有指令都是单字节指令,大多数指令能在一个机器周期内执行...
查看详情