-
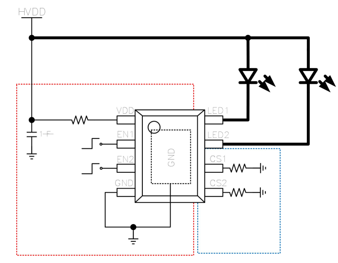
XR8141B 宁波双通道LED驱动芯片, 线性恒流驱动,单路最大恒流500mA,双路并联可达1A
发布时间:2026-01-05XR8141B 双通道LED驱动芯片, 线性恒流驱动,单路最大恒流500mA,双路并联可达1A1.产品特点*3.7V~18V 宽电压工作*最低工作电压3.7V,支持电池供电*芯片关闭时 ,静态电流仅0.6uA*单路最大恒流500mA,双路并...
查看详情 -
YX8284带充放电管理的两路宁波LED驱动芯片
发布时间:2024-08-26YX8284带充放电管理的两路LED驱动芯片特性?通过改变S引脚状态,有两种输出模式选择 S引脚悬空:L1,L2同时输出,模式切换为100%-25%-8HZ闪-OFF; S引脚接地:L1,L2分别输出,模式切换为L1_100%-L1_25%...
查看详情 -
YX8251宁波单功能手电筒LED驱动芯片
发布时间:2023-10-18YX8251单功能手电筒LED驱动芯片特性: ? 轻触 ON/OFF 控制 ? 工作电压:2.5V~5V ? 工作效率高达 92% ? 0.8A 的驱动电流能力 ? 0.1μA 睡眠模式电流 ? 内置 NMOS 可直接驱动 1~2W LED...
查看详情 -
摆摊小夜灯LED驱动芯片 宁波YX8283B
发布时间:2020-06-13描述 YX8283B 是一款完整的采用单节锂离子电池供电的LED 轻触三功能驱动芯片。其内部集成了锂电池充放电管理电路,可提供高达 1A 的充电电流、1.8A 的放电电流及充放电保护功能,可驱动单颗 LED 实现全亮、25%亮、暴闪和灭循环...
查看详情 -
LED驱动宁波芯片有哪些特点
发布时间:2020-01-07在选择和设计LED驱动电源时要考虑到以下几点:1.高可靠性:特别像LED路灯的驱动电源,装在高空,维修不方便,维修的花费也大。2.高效率:LED是节能产品,驱动电源的效率要高。对于电源安装在灯具内的结构,尤为重要。因为LED的发光效率随着L...
查看详情



服务热线
公司地址:
公司邮箱: